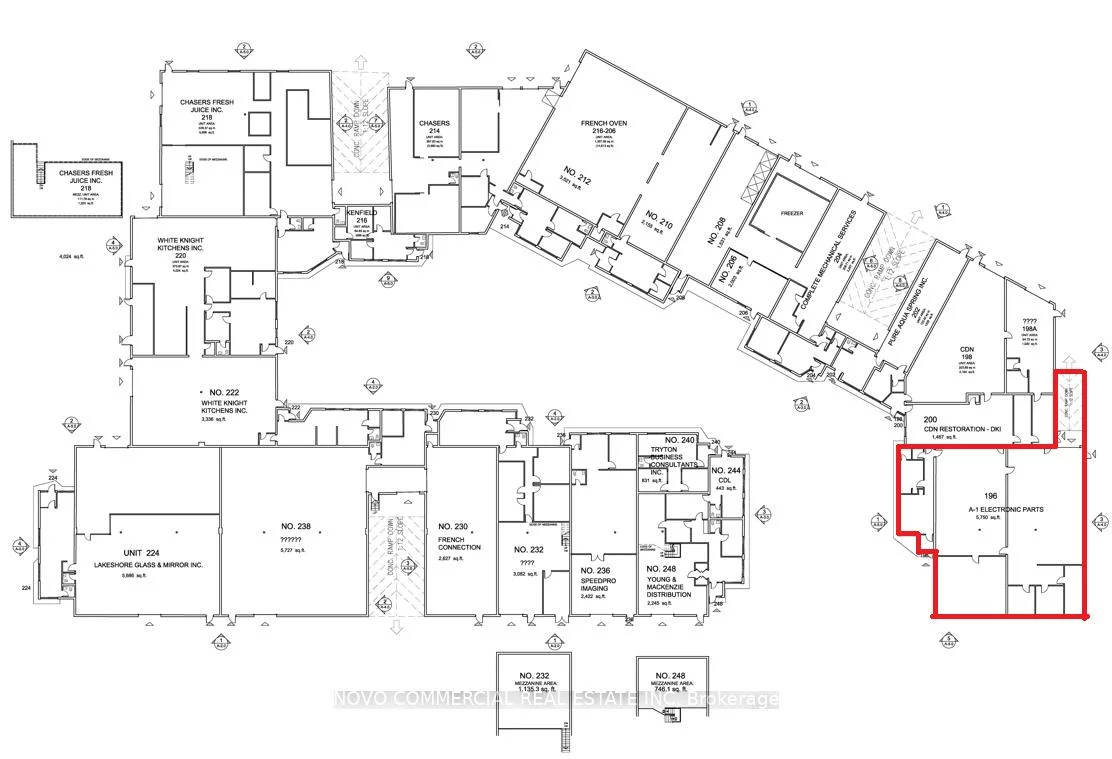
196, North Queen, Islington-City Centre West, Toronto, Commercial
MLS® Number W12448126
For Lease $ 17
- 1 baths |
- 5750 SQFT

Description
Commercial Industrial For Lease.
* Prime South Etobicoke Location * Across From Smart Centres * Close to Sherway Gardens, QEW and 427* Great Exposure on North Queen Street * Very Close To Sherway Gardens & Major Hwys 427 and QEW * Walking Distance from Transit Stop * Square Configuration *Quasi Retail Use Will Be Considered * Avaliable Immediately *Landlord can install a Drive-In Door
Community Features: Major Highway, Public Transit
Cross Street: The Queensway and North Queen St.
Business Name: Across from Smart Centres
Key Facts
- Days on: 6 days
- Mls Status: Price Change
- Board Property Type: Com
- Bathrooms Total Integer: 1
- Lot Type: Unit
- Garage Type: None
- Heat Type: Gas Forced Air Open
- Cooling: No
- Building Area Total: 5750 Square Feet
Location 196, North Queen, Islington-City Centre West, Toronto
Search by Neighbourhoods



